aki_iic’s blog

己の欲せざる処人に施す事無かれ、狂人の真似するは即ち狂人なり

2023-03-01から1ヶ月間の記事一覧

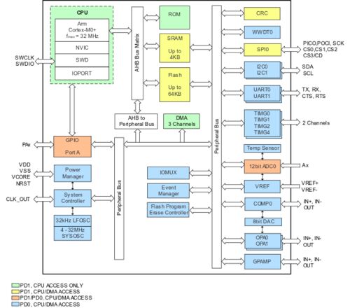
MSPM0

MSP432から何年経過しただろう。遂にTIはMSPM0なるM0+ベースのMSP430とセグメントが被る新ファミリを発表した: www.ti.com ブロック図(上図より引用): MSPM0 block diagram 私が触ったMSP430はG2553とF55xxしか無く(それもLanchpadレベル。ああF2272は…

Motorola MC6800/MC68HC11(その8)

MC6800の直系且つバイナリ上位互換のMCUであるMC68HC11について。前にも書いたが1984年に登場した本MCUが39年経過した今でも流通在庫だったり中古だったりではあるがどうにか入手可能な状態なので、密かなブーム(笑)となっているレトロマイコンを楽…

MPLABX

タイトルそのまんま。x230のUbuntu16.04に導入したのが2016年の4.05だったから7年振りで6.05とアップはしているがほぼ変化無し?安定してるんですね(褒め言葉です:)。 OSCemu 2016年の4.05用のプロジェクトを起動すると自動的に6.05に更新してく…

環境馬鹿が世界を滅ぼす(17):保険屋さんが困っている

電池車の保険屋さんが困っているという報道。これって所謂、EVの不都合な真実っていう奴か(陰謀論的に言うならば:)↓ jp.reuters.com まあ、こういう電池車に不都合な真実は経産省も国交省もそれらの取巻きの御用団体さんもそりゃ、言わんわなぁ(察し:)…

現金が好き

目の悪さ故、小銭を扱うのに往生する為、プリペイド決済(具体的には交通系:Suica)をしていると書いた事があるが、日々利用するコンビニ決済では若い方含めて現金決済が多数派に見えるのは定期を使わない方が多いのか、スマホ決済の方もいらっしゃ様だが少…

Arduino UNO R4

全く知らなかったのだがArduino UNO R4なるものがリリースされた模様↓ pc.watch.impress.co.jp 本家サイト: store-usa.arduino.cc Arudino Dueが不発に終わった後、さまざまなローカルバージョン(公式、非公式、独自)なARMベース(M0、M3、M4)が存在する…

環境馬鹿が世界を滅ぼす(16):撤回

物理法則は加速出来ないのが漸く、ディーゼルゲートで発情してたゲルマン民族さんも僅かばかりの正気を取り戻したようで(それでも合成添加ガソリンとかWW2で学ばないのは敗戦国の特徴か:)EV政策を公式に撤回(この辺のずるさ:賢さとも:は是非見習いたい…

実証実験

下記は産経新聞の記事故、別途裏付けも必要かもしれないが電池車はブームにはなれなかった(かもしれない)、か否かは未来の人が決める。 www.sankei.com 理由は単純に採算で官が煽るしそこそこの要素技術も積み上がっているので先行投資も兼ねて異業種ベン…

必勝

これは私個人の感想ではあるが広島出身の一国の総理大臣のウクライナ訪問時の土産として甚だ適切な必勝祈願のしゃもじであったと思っています。実は広島でしゃもじの必勝祈願が日露戦争必勝に遡る歴史があったとは知りませんでした。今回のウクライナの敵が…

国産量子コンピュータ

20230328 0:03追記: 日経さんから記事が出たので追記。 www.nikkei.com 理研(と大学と民間企業)が開発中の超電導型(と呼ぶのでしょうか?疑似量子コンピュータも存在するので:)量子コンピュータがクラウド経由で非商用用途で公開される模様: xtech.ni…

科学技術の世界に(自分の)理念を持込む愚か者がいた

折角日経XTechを評価したのに一部のシニア(最近のパワーワードである:)おバカ記者の活躍でそれが減退されるのが不憫でならない。コイツと芸人活動家木村は首にした方が宜しいのでは>日経XTech。 xtech.nikkei.com この人、業界の常識も知らず、自身の理…

Cortex-M85

Renesasが展示会でAIアクセラレータ付きのCortex-MシリーズのM85に関する引用↓ pc.watch.impress.co.jp 有償の日経XTechより内容は充実していて、というかこの方の記事は充実しているというのが正直な処だろうか。プロフによると1998年からライタ業で1…

スタンダード戦略

これも日経XTech記事だが善き記事故、ご紹介: xtech.nikkei.com 日本の誇る鉄道技術をISOで規定するという感涙モノのお話。この手の規格策定では多勢に無勢でFelicaとNFCや通信規格、等々欧米にやられっぱなしであったがドイツやフランスに先んじてISO24675…

電池式電磁カタパルト

理念だけで自国を守れると狂信的なガラパゴス左翼モドキさんには衝撃かもしれないが、電磁カタパルト用にニッケル系電池スタックが使えるとの報道: xtech.nikkei.com ここでなるほどなぁ〜と感心するのは稼働実績が有り、それは東京モノレールの非常電源と…

会談

最後のG7国になったけどサミットの前に訪問出来て良かったですね。サミットに何らか(仮想或いは現実?)の形で招くとりんなんとかさんが言ってたような。。。 www.nikkei.com さて肝心のお土産は(経済支援以外に)用意出来たのかな〜。一応この人安倍政権…

obsoluteな部品を確保する(その2)

前回が令和四年睦月だから1年2ヶ月で発情:)これもFusionPCB効果か(違う:)。前回の発情(しつこい)では: aki-iic.hatenablog.com 今度はよりマイナ或いは別品種なCPU、PLD、メモリを確保: 項番 名称 メーカ 個数 単価 購入日 備考 1 MC68008P10 Mot…

情報と分析

この書は有名なものらしく各所で紹介されているそうだが、恥ずかしながら当方は最近、疎遠になりつつも会費だけは収めている処から頂いたニュースレターに記載されていたのが私にとっての初見(恥ずかし:) Amazon kindle書籍 ああ、大本営ね(察し)と分類…

Motorola MC6800(その7)

暇なのとボケ防止も兼ねて私が仕事/道楽で関わった事のあるMotorola MC6800系譜のマイコンをMindmap風に表記してみた(理由:楽なので:)。尚、当時のセカンドソースに一切触れていないのは・・・察して下さい(生臭い話になりそうなので、特にHC11と6809…

眠気冷まし

どこでも眠れるし、じっとしてると直ぐ眠気を催す性癖は若い頃からで別段今に始まったものでもないが、終日デスクワークというか書類読んだり、パソコンに向かって塗り絵したり、報告書作ったり、大きな画面の端末で情報検索したりと、まあ終日座りっぱなし…

EdrawMind

前にWounderShare Mindmasterと紹介?した件の続報(というか当方の瑕疵:) aki-iic.hatenablog.com 昔レジストしたのに(今使ってるA285ではなくYoga710の時代)アカウントが違うと言われた〜の件は通常使わないアカウントでレジストしていたというオチ(…

逮捕状

狐@まだまだ発情中に支那流に言えば紙くずな国際刑事裁判所が狐に逮捕状の報道↓ www.nikkei.com これが名もない小国ならばとうの昔に実行されていたのだろうが(何せ、自称特殊作戦なる国際法では戦争犯罪者の堂本たる主席エクソシスト:)、常任理事国の拒…

証拠

狐軍のSu-27がUCAV(ただし武装なし)のMQ-9を攻撃した映像が公開された: www.nikkei.com 支那(プーでなくても)、狐軍と共産主義、じゃなくて権威主義国家と呼ぶんだっけけか国家は国際法なぞ紙くず(これは支那の公式見解:)だから航海上をISR活動中のU…

chatbotに触ってみた

ありふれたネタではあるが男もすなるchatbot(今回はchatGPT)をおじ(い)さんもすなるの巻:) 1.サイト https://chat.openai.com/chat 2.登録 メアドとパスコード送付の二段階認証で使用可能となる。ごく普通のスタイル。 3.使用例(恥ずかし:) どうやらn…

ChatBotで見守りサービス

人畜無害な対象或いは利用法であれば個人情報管理さえ盤石であるならば(ここ重要。下記引用とも関連するのだが:)所謂、見守りサービスには好適かもしれない。UIはAlexaの如きVUI(AIスピーカとか音声応答とか)も併用出来ればさらに由。だが実はAlexaでも…

言論統制

ChatBotの利用制限は支那だけかと思いきや、禿会社でも言論統制(メディア様の語彙による:)を施すらしい↓ www.nikkei.com コンプラ管理出来ないのであれば(まあ、出来ないでしょうな:)ChatBot導入は控えた方が良いのは自明なのだろう。ここでメディア様…

演算能力の正しい使い方

パソコン業界で20年前といえばWindows2k/XPの時代でプロセサはPentium4からCore1の時代でAppleはPowerPC G4でiPhoneは未登場な頃だろうか。 その時代にJSFは登場し、アビオニクスも当時のプロセサ(Powerですかね?)で構成され、マイナアップデートを繰り…

エコシステム

トラ技PDF版2023年4月号をiPadパラ読みした印象。マイコンでもFPGAでもそうだがアナログ部品や受動部品、機構部品と異なり半導体単品では無価値で開発環境がサービスライフの間供給されるLCMというかエコシステムは大前提で、そこが成立してないと技術…

画面構成

Google newsを愛用しているがどうとう旧仕様(PC向けというか)は選択できなくなって縦長想定の所謂、スマホ向け画面に統一されてしまった(涙:)↓ google news Googleさんは広告収入モデルの収入減少で他のIT詐欺師共(GAFAとm:)同様にリストラ真っ最中…

PDF版(Kindle版ではなく)

前にも書いた気もするがトラ技やインタフェース誌も紙ではなくPDF版を購入するようにしている。理由は ・紙は紛失・破損する(雑な性格故) ・電子データは場所を取らず、検索も容易(PDFであっても) ・老眼(緑内障による視野欠損含む)に優しい と自分で…

マスク着用

令和五年弥生十三日から事実上義務であったマスク着用(法制化してないのに一部の事情或いはアレな方を除き、ほぼ全員従うのが我が国の凄いところ:)が見直され、個人の判断に基づいても良いとの基準に改まる↓ www.mhlw.go.jp この中に科学的根拠があるかと…